Geometry and Mensuration

Total Questions: 54

21. A goat is tied to two poles P and Q with ropes that are 15 meters long. P and Q are 20 metres apart as shown in the given diagram: [2000]

Which one of the following shaded portions indicates the total area over which the goat can graze?

Correct Answer: (c)
Solution:When the goat is tied to pole P , then it will move in the form of an arc . Similarly , when it is tied to pole Q , again it will tranverse an arc . Only ' c ' is showing the case .

22. What is the maximum number of pieces of 5 cm × 5 cm × 10 cm of cake that can be cut from a big cake of 5cm × 30 cm × 30 cm size? [2000]

Correct Answer: (c) 18
Solution:Let the maximum no of small pieces of cake be .

Now,

23. A rectangular water tank measures 15m × 6m at top and is 10m deep. It is full of water. If water is drawn out lowering the level by 1 meter, how much of water has been drawn out? [2000]

Correct Answer: (a) 90000 litres
Solution:Water drawn out

= Initial volume of the tank - Final volume of the tank

m³ = 90000l

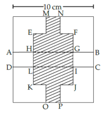
24. In the given figure, all line segments of the shaded portion are of same length and at right angles to each other. The same can be out of a board of side 10 cm. What is the area of the shaded portion? [2000]

Correct Answer: (c) 52 cm²
Solution:

Hence area of shaded portion

(Area of square) (Area of rectangle EFGH IJKL)

Area of rectangle ABCD

cm²

25. A rectangular piece of iron sheet measuring 50 cm by 100 cm is rolled into cylinder of height 50 cm. If the cost of painting the cylinder is ₹ 50 per square metre, then what will be the cost of painting the outer surface of the cylinder? [2000]

Correct Answer: (a) ₹ 25.00
Solution:Let and be the radius and height of cylinder respectively. Since the cylinder is made by rolling 100 cm side.

cm m and cm m

Curved surface area

Cost of painting per m²

Total cost of painting

26. A circle of 1 m radius is drawn inside a square as shown in figure given above. What is the area of the shaded portion (in m²) [2001]

Correct Answer: (d) (1− 4/π ​ )
Solution:Since radius of circle m

Side of square m

So Area of circle

and Area of square

Area of shaded region

(Area of square - Area of circle) m² = (1 -

27. In the above figure, ABCD is a cyclic quadrilateral, AB = BC and ∠BAC=70 ∘ , then ∠ADC is [2001]

Correct Answer: (d) 140 ∘
Solution:In ∆ ABC , AB = BC ( isosceles triangle )
∴ ∠BAC = ∠BCA = 70 °
Now , ∠ABC + ∠BAC + ∠BCA = 180 °
∠ABC = 180 ° - ( 70 ° + 70 ° ) = 40 °
As , ABCD is a cyclic quadrilateral and sum of opposite angle
pairs is equal to 180 °
So , ∠ADC + ∠ABC = 180 °
∠ADC = 180 ° - 40 ° = 140 °

28. The length of the longest pole that can be placed in a room 12 m long, 9 m wide and 8 m high, is

Correct Answer: (c) 17 m
Solution:Length of the longest pole will be placed along the diagonal of the room
Length of the diagonal or pole
= √ ( length ) ² + ( breadth ) ² + ( height ) ²
= √ ( 12 ) ² + ( 9 ) ² + ( 8 ) ² = 17 m .

29. Consider the volumes of the following: [2002]

  1. A parallelopiped of length 5 cm, breadth 3 cm and height 4 cm
  2. A cube of each side 4 cm
  3. A cylinder of radius 3 cm and length 3 cm.
  4. A sphere of radius 3 cm.

The volumes of these in the decreasing order is

Correct Answer: (d) 4, 3, 2, 1
Solution:Volume of Parallelopiped = l x b x h = 5 × 3 × 4 = 60 cm³
Volume of cube = ( side ) ³ = 4³ = 64 cm³
Volume of cylinder = πr²h = 3.14 × 3² x 3 = 84.78 cm³

Volume of sphere .

Then the correct decreasing order is 4, 3, 2, 1.

30. A big rectangular plot of area 4320 m² is divided into 3 square shaped smaller plots by fencing parallel to the smaller side of the plot. However some area of land was still left as a square could not be formed. So, 3 more square shaped plots were formed by fencing parallel to the longer side of the original plot such that no area of the plot was left surplus. What are the dimensions of the original plot? [2005]

Correct Answer: (c) 120 m × 36 m
Solution:

Required area

Other dimension