NTA UGC NET/JRF Exam, August -2024 (Electronic Science)

Total Questions: 100

11. Match the List-I with List-II.

List-IList-II
(Programmable logic devices)(Synthesizing/Erasing Options)
(a) PROMI. Both AND and OR array are programmable
(b) PLAII. Can be Reprogrammed
(c) PALIII. AND array is fixed and OR array is programmable
(d) EEPROMIV. OR array is fixed and AND array is programmable

Choose the correct answer from the options given below:

(a)(b)(c)(d)
A.IIIIIIIV
B.IIIIIVII
C.IIIIIIIV
D.IIIIIVII
Correct Answer: B.
Solution:

(a) → III because in a PROM, the AND array is fixed and the OR array is programmable.
(b) I because in a PLA, both AND and OR arrays are programmable.
(c) → IV because in a PAL, the OR array is fixed and the AND array is programmable.
(d) → II because an EEPROM can be reprogrammed.

12. For microwave sources and devices

(a) In two cavity klystron, the cavity close to cathode is known as buncher cavity' which modulates the electron beam.
(b) The interaction of electron beam and RF field in the TWT is discontinuous over the entire length of the circuit.
(c) Split anode magnetron uses a dynamic positive resistance between three anode elements.
(d) In Gunn diode, the stable amplification mode is defined in the region where product of frequency times the length is 103 cm/per sec.
(e) IMPATT diode exhibit differential negative resistance due to impact ionization avalanche effect which causes carrier current and AC voltage to be out phase by 90°.

Correct Answer: D. (a) and (e) only
Solution:(a) is correct: in a two-cavity klystron, the cavity near the cathode is the buncher cavity that modulates the electron beam.
(b) is incorrect since in a TWT the beam-field interaction is continuous along the length.
(c) is incorrect regarding the split-anode magnetron.
(d) is incorrect about the Gunn diode's stable amplification mode statement.
(e) is correct: IMPATT diodes exhibit negative resistance because of avalanche effects causing the carrier current and AC voltage to be out of phase.
Hence, the correct statements are (a) and (e) only.

13. Arrange the following in the increasing order of their electron mobility at 300 K (cm²/V.s):

(a) Si
(b) Ge
(c) GaP
(d) InAs

Correct Answer: D. (c), (a), (b), (d)
Solution:

At 300 K, the electron mobility in GaP is the smallest among the given materials, followed by Si, then Ge, and finally InAs has the largest. This order is (c) < (a) < (b) < (d).

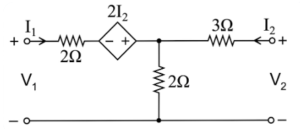
14. For the circuit given below, arrange the Z-parameters in descending order.

(a) Z₁₁
(b) Z₂₁
(c) Z₁₂
(d) Z₂₂

Correct Answer: B. (d), (a), (b), (c)
Solution:Under open-circuit conditions at port 2 (I₂ = 0), analyzing the node voltages and currents shows:
Z₂₂ to be the largest, followed by Z₁₁ then Z₂₁ and finally Z₁₂. Hence, in descending order: (d), (a), (b), (c).

15. Match the List-I with List-II.

Choose the correct answer from the options given below:

(a)(b)(c)(d)
A.IIIIVIII
B.IIIIIVII
C.IVIIIIII
D.IVIIIIII
Correct Answer: C.
Solution:

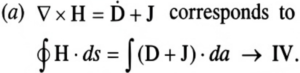
Matching each differential form of Maxwell's equations with its integral (or word) statement:

Hence, (a) → IV, (b) →I, (c) →II, (d)→ III.

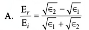
16. When a plane electromagnetic wave from medium 1 (∈₁) is incident normally on the surface of a perfect dielectric (i.e. medium 2 with ∈₂), then what is the relationship of the electric field strength of the reflected wave (Eᵣ) to the electric field strength of the incident wave, (assuming that permeabilities (μ) of known insulators do not differ appreciably from free space i.e. μ₁ = μ₂ = μ₀

Correct Answer: D.

17. The operating point for the given transistor circuit is:

Correct Answer: D. (6.28 V, 1.86 mA)
Solution:The base current is
Hence the collector current, with β = 100, is
I𝔠 ≈ (100) × (18.6 μΑ)
= 1.86 mA
The voltage drop across R𝔠 = 2 ΚΩ is
(1.86 mA) × (2 ΚΩ) = 3.72 V
So the collector voltage is
10 - 3.72 = 6.28 V.
Thus the quiescent point is (V𝔠 = 6.28 V, I𝔠 = 1.86 mA).

18. Compared with the GaAs and InP based HBTs, the Si/SiGe HBT has a lower cutoff frequency because of:

Correct Answer: A. Lower mobilities in Si
Solution:

Gallium-arsenide (GaAs) and indiumphosphide (InP) both offer higher carrier mobilities than silicon. Consequently, compared to GaAs- or InP-based heterojunction devices, Si/SiGe HBTs have lower cutoff frequencies primarily because Si has lower carrier mobilities (i.e., lower electron and hole mobilities), making them inherently slower in high-speed applications.

19. Match the List-I with List-II.

Choose the correct answer from the options given below:

(a)(b)(c)(d)
A.IIIIIIIV
B.IIIIIVII
C.IIIIVIII
D.IIIVI
Correct Answer: B.
Solution:(a) Diagram loops a single gain block with a feedback path that simplifies to the form labeled III.
(b) Diagram combines two gains subtractively, giving an effective gain of (G₁- G₂), which is I.
(c) Diagram has a product of two gains G and H in a feedback configuration that reduces to IV.
(d) Diagram places a single gain block with an inverse feedback path, corresponding to II.

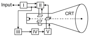
20. Identify the blocks numbered from I to V in the following diagram of CRO:

(a) Trigger Circuit
(b) Horizontal Amplifier
(c) Delay line
(d) Time Base generator
(e) Vertical Amplifier

Correct Answer: C. (e), (c), (a), (d), (b)
Solution:

(e) Block I is the vertical amplifier.
(c) Block II is the delay line.
(a) Block III is the trigger circuit.
(d) Block IV is the time base generator.
(b) Block V is the horizontal amplifier.
Hence, the correspondence is (e), (c), (а), (d), (b).