NTA UGC NET/JRF Exam, August -2024 (Electronic Science)

Total Questions: 100

51. For a single mode optical fiber cable with attenuation of 0.25 dB/km, the optical power (in dBm), 100 km away, from a 0.1 mW light source will be:

Correct Answer: D. -35 dBm

52. The high frequency and high speed issues of the MOSFET are controlled by the following through the channel:

(a) Capacitance charging times
(b) Capacitance discharging times
(c) Transit time of the carriers
(d) Series resistances associated with the source & the drain

Correct Answer: B. (a) and (c) only
Solution:High-speed (high-frequency) limits in a MOSFET are dominated primarily by
(a) the capacitances that must be quickly charged, and
(c) the transit time of carriers through the channel.
Thus (b) and (d) are less central, so (a) and (c) are correct.

53. Following is true for a closed loop op-amp based non-inverting amplifier:

Correct Answer: D. (c) and (d) only
Solution:

(a) is incorrect because the amplifier is a voltage series feedback amplifier, not a voltage shunt feedback amplifier.
(b) correctly describes the bandwidth under feedback as (UGB. K)/Aꜰ
(c) correctly describes the input resistance under feedback as Rᵢ(1 + AB), where A is the open-loop gain, and B is the feedback factor.
(d) correctly identifies the configuration as a voltage series feedback amplifier.
Thus, the correct statements are (c) and (d) only.

54. A silicon sample is doped with 1010 Arsenic atoms/cm³. What is the equilibrium hole concentration P at 300°K if the intrinsic hole & electron concentration is

n = 1.5 × 1010 atoms/cm³.

Correct Answer: В. 2.25 × 10¹⁰ cm⁻³
Solution:For an n-type silicon sample with donor doping Nᴅ = 1 × 10¹⁰ cm⁻³, the hole concentration at equilibrium is

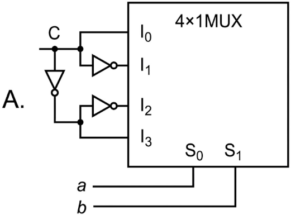
55. The following function is a implemented using 4 × 1 MUX, with 'a' and 'b' as select lines.

Correct Answer: B.

56. Match the List-I with List-II. For a coaxial cable in which the dielectric has inner radius 'a' and outer radius 'b' where σ is conductivity.

Choose the correct answer from the options given below:

(a)(b)(c)(d)
A.IIIIIIIV
B.IIIIIVII
C.IVIIIIII
D.IIIIVIII
Correct Answer: B.
Solution:

For a coaxial cable with inner radius a and outer radius b, the standard per-unitlength formulas (assuming permittivity & and permeability μ) are:
(a) Capacitance per unit length→
Hence the correct correspondence is:
(a) → III, (b) →I, (c) → IV, (d) II.

57. Arrange the following materials with regard to their thermal conductivities when used in packaging in the units k(W/cm-°c) in the decreasing order.

(a) Silicon
(b) Au
(c) Ероху (fused Silica filler)
(d) Alumina (A1₂O₃)
(e) Common Cu Alloys

Correct Answer: D. (b), (e), (a), (d), (c)
Solution:

Typical relative thermal conductivities (in W/cm °C) of these materials, from highest to lowest, are approximately:

(b) Au is largest (around 3 W/cm °C for pure gold).

(e) Common Cu Alloys, though lower than pure Cu, still rank next.

(a) Silicon is next (about 1.5 W/cm °С).

(d) Alumina (A1₂O₃) follows (a few × 10⁻³ W/cm °C).

(c) Epoxy with fused silica filler is the lowest (around 10⁻³ W/cm °C or less).

Hence, the descending order is (b), (e), (a), (d), (c), which matches option D.

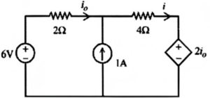
58. Find iₒ and i for the given circuit using the superposition theorem:

Correct Answer: B. i = 0.25A, i = 1.25A

59. For an angle modulated signal

X(t) = 3 cos [2n 10⁶t + 2 sin (2π 10³t)]
Its maximum phase deviation and maximum frequency deviation respectively are:

Correct Answer: C. 2 rad & 2 × 10³ Hz
Solution:

The given signal can be viewed as X(1) = 3 cos [2π(10⁶)t + 2 sin (2π(10³)t] Here the term 2 sin (2n 10³ t) is the modulating part of the instantaneous phase. Its maximum absolute value (the phase deviation) is 2 radians.

The instantaneous angular frequency is the time derivative of the argument:= 2π (10⁶) + 2(2π 10³) cos (2π 10³ t)
Hence, the maximum extra angular frequency is 2 X 2π 10³ and so the maximum frequency deviation is 2 × 10³ Hz.

60. Match the List-I with List-II.

Choose the correct answer from the options given below:

(a)(b)(c)(d)
A.IVIIIIII
B.IIVIIIII
C.IIIIVIII
D.IIIIIIIV
Correct Answer: D.
Solution:

Typical temperature ranges for these thermocouples are:
(a) K type (chromel-alumel): about -200 °C to +1200 °С,
(b) T type (copper-constantan): about -150 °C to +350 °С.
(c) S type (Pt-Pt 90% Rh): about 0 °C to +1500 °С.
(d) J type (iron-constantan): about -150 °С to +1000 °С.
Hence, in terms of the given labels, (a) → II, (b) →III, (c)→I, (d) → IV which matches option D.