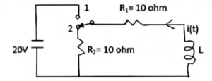
NTA UGC NET/JRF Exam, June -2021 (Electronic Science)Total Questions: 1001. For semiconductor, with both electrons and holes as carriers, the resistivity can be expressed as:A.B.C.D.Correct Answer: D.2. The band structure of a crystalline solid, that is, the energy momentum (E-K) relationship, is usually obtained by solving:A. Laplace EquationB. Poisson EquationC. Schrodinger EquationD. Maxwell EquationCorrect Answer: C. Schrodinger Equation3. The Schottky effect is the image force induced lowering of the potential energy for charge carrier emission when an electric field is applied. The attractive force called image force is:A.B.C.D.Correct Answer: C.4. In JFET, the Pinch-off Voltage can be defined as:A.B.C.D.Correct Answer: C.5. The desired property of gate and interconnection metallization is:A. High resistivityB. Low resistivityC. Low conductivityD. Large stressCorrect Answer: B. Low resistivity6. In a silicon oxidation model, B/A is the linear rate constant and t accounts for the shift in the time coordinate to account for the presence of the initial oxide layer, then the linear law is represented as:A.B.C.D.Correct Answer: C.7. In a silicon oxidation model, if Cɢ and Cₛ are the oxidant concentration in the bulk of the gas and oxidant concentration adjacent to the oxide surface, respectively, then the gas phase flux are: (hɢ is the gas phase mass transfer coefficient)A.B.C.D.Correct Answer: C.8. If Cₛ and Cₗ are the equilibrium concentration of impurities in the solid and liquid near the interface respectively, then for dilute solutions encountered in silicon growth, an equilibrium segregation coefficient kₐ may be defined as:A.B.C.D.Correct Answer: A.9. The circuit shown in the following figure is initially under steady-state condition. The switch is moved from position 1 to position 2 at t = 0. The current after switching will be:A. 2e-5⁻⁵ᵗAВ. 1- 2e⁻⁵ᵗAC. 1 + 2⁻⁵ᵗAD. 2e5⁻⁵ᵗA.E. (*)Correct Answer: E. (*)10. A differential equation is given as x(t + 2) + 3x(t + 1) + 2x(t) = 0; x(0) = 0, x(1) = 1. The solution of this equation will be:A. x(KT) = (-1)ᴷ + (2)ᴷB. x(KT) = (-1)ᴷ - (2)ᴷC. x(KT) = (−1)ᴷ + (−2)ᴷD. x(KT) = (−1)ᴷ - (−2)ᴷCorrect Answer: D. x(KT) = (−1)ᴷ - (−2)ᴷSubmit Quiz12345678910Next »