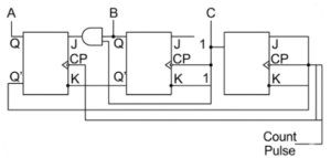
NTA UGC NET/JRF Exam, June -2021 (Electronic Science)Total Questions: 10011. Consider the network shown in the following figure. The state equation of the system will be:A.B.C.D.Correct Answer: A.12. The roots of a system having a transfer functionA. either -3 or -4B. either -3 or 4C. either 3 or -4D. either 3 or 4Correct Answer: A. either -3 or -413. An amplifier has power gain of 800. Its decibel power gain is:A. 19 dBB. 30 dBC. 28 dBD. 29 dBCorrect Answer: D. 29 dB14. Which of the following statements is NOT correct about Bipolar Junction Transistors?A. Emitter-follower configuration will always have an output voltage slightly less than the input signal.B. Common-base configuration has very low input impedance.C. The CE emitter-bias configuration with an unbypassed emitter resistor has a larger input resistance than the bypassed configuration.D. The voltage-divider bias configuration has much less stability than the fixed bias configuration.Correct Answer: D. The voltage-divider bias configuration has much less stability than the fixed bias configuration.15. If AFT is the total passband gain, fʟ is low cutoff frequency, fʜ is high cutoff frequency, then voltage gain magnitude of a band-pass filter is given by:A.B.C.D.Correct Answer: C.16. Which of the following statements is wrong about noise in Operational AmplifiersA. Thermal noise is the result of random motion of the charge carriers in a resistor.B. Shot noise arises from the discrete nature of the current flow in electronic devices.C. Popcorn noise is caused by imperfect semiconductor surface conditions.D. Flicker noise occurs in active devices at very high frequencies.Correct Answer: D. Flicker noise occurs in active devices at very high frequencies.17. What is entered variable map?A. A map to solve the sequential circuits. QB. An alternative to Karnaugh Map where the variable is placed as output.C. A modified version of Karnaugh Map where the variable is placed as composite.D. A tabular method for logic simplification.Correct Answer: B. An alternative to Karnaugh Map where the variable is placed as output.18. The simplified boolean expression for the following K-map to find F(A, B, C, D) in SOP:A.B.C.D.Correct Answer: A.19. Determine the output of the logic array given in the following figure. The Xs represent connected link.A.B.C.D.Correct Answer: C.20. The ripple counter shown in the following figure uses flip flops that trigger on the negative-edge transition of the C-P input. Is the counter self-starting?A. YeB. NoC. Yes, when all inputs are 1D. Yes, when all inputs are 0Correct Answer: B. NoSubmit Quiz« Previous12345678910Next »