Railway Science (Physics-Electric Current and its Effects) (Part-II)

Total Questions: 50

41. A commutator is used to change the direction of current in the coil of _______ . [RRC Group D 17/09/2022 (Morning)]

Correct Answer: (b) DC motor and DC generator both
Solution:

Commutator - It reverses the direction of flow of current through a circuit. In a motor, the commutator applies electric current to the windings. By reversing the current direction in the rotating windings in each half turn, a steady rotating force (torque) is produced. Motor - Convert the electrical energy to mechanical energy. Generator - Convert the mechanical energy to electrical energy.

42. Consider two coils, A having a larger number of turns than B, kept axially at a distance from each other. The coil A is connected to a battery and a switch and B is connected to a galvanometer. On switching on or off the circuit a DC current flows through the coil A, then deflection in the galvanometer connected to coil B can be increased by winding the core of coil B on ___________. [RRC Group D 17/09/2022 (Afternoon)]

Correct Answer: (b) an iron rod
Solution:

An iron rod. Whenever the number of magnetic lines of force (magnetic flux) passing through a circuit/coil changes an emf is produced in the circuit called induced emf. The induced emf is given by the rate of change of magnetic flux linked with the circuit as, e = emf = −N 𝑑Φ/𝑑t Where e is induced voltage, N is number of loops, dΦ is change in magnetic flux, dt is change in time. When the coil and a magnet are moved in the same direction and at the same speed, then there is no change in the magnetic field across the coil and hence no induced current.

43. Magnetic field lines never cross each other. This fact implies that the magnetic field always have_________. [RRC Group D 17/09/2022 (Evening)]

Correct Answer: (c) a unique value at any point in space
Solution:

Magnetic field - The force of magnetism acts on the area around a magnetic material or a moving electric charge. Magnetic field and electric field are interconnected and constituents of the electromagnetic force. If magnetic field lines intersect each other, then at the intersection point there will be two directions of the same field which is not possible. Unit of magnetic field - Tesla.

44. According to Fleming's right hand rule, the direction of the motion of the conductor and the direction of the induced EMF are: [RRC Group D 18/09/2022 (Morning)]

Correct Answer: (c) perpendicular
Solution:

Fleming's Right Hand Rule - When arranging the thumb, forefinger and middle finger of the right-hand perpendicular to each other, then the thumb points towards the direction of the magnetic force, the forefinger points towards the direction of the magnetic field and the middle finger points towards the direction of the current.

45. A magnetic compass consists of: [RRC Group D 18/09/2022 (Afternoon)]

Correct Answer: (b) a tiny magnetic needle attached to an aluminium pointer
Solution:

A magnetic compass consists of a tiny magnetic needle (indicates the north-south direction when it comes to rest) attached to an aluminium pointer. The magnetic compass was invented in China between the 2nd century BC and the 1st century AD.

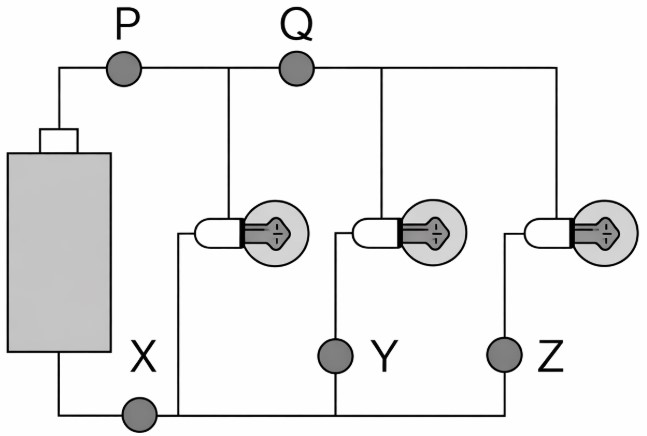
46. Three identical light bulbs are connected to a battery as shown below. P. Q . X, Y and Z represent several points in the circuit. Which of the following holds true for this circuit? [RRC Group D 18/09/2022 (Evening)]

Correct Answer: (d) The current at P is greater than the current at Q .
Solution:

In a parallel combination, all the bulbs will have the same voltage as that of the battery but the current is divided among them. However, in a series connection, the voltage gets divided among all the bulbs but the current remains the same. So, the bulbs which are connected in parallel will glow brighter.

47. Suppose a proton moves towards the east by entering a uniform magnetic field in the downward direction. The direction of the force acting on the proton will be: [RRC Group D 19/09/2022 (Morning)]

Correct Answer: (d) Towards the north
Solution:

According to this Fleming's left-hand rule, stretch the thumb, forefinger and middle finger of your left hand such that they are mutually perpendicular to each other. If the forefinger points in the direction of the magnetic field and the middle finger in the direction of current, then the thumb will point in the direction of motion or the force acting on the conductor.

48. The direction of the magnetic field produced by the current carrying solenoid is : [RRC Group D 19/09/2022 (Morning)]

Correct Answer: (a) Parallel to the axis of the solenoid
Solution:

Factors Affecting magnetic lines - Number of turns in the solenoid, Current in the solenoid (Polarity of the solenoid changes according to the direction of current).

49. The strength of the magnetic field produced in a solenoid does not depend on which of the following factors? [RRC Group D 19/09/2022 (Afternoon)]

Correct Answer: (b) Using wooden rods as core material
Solution:

Using wooden rods as core material would not be effective for a solenoid as wood is not a good conductor of electricity and does not have high magnetic permeability. Magnetic field of solenoid is directly proportional to the current passing and the number of turns and has a proportionality constant which depends on the material of the conductor, instead of an area magnetic field depends upon the length of solenoid.

50. The most essential difference between a DC and an AC generator is________. [RRC Group D 19/09/2022 (Evening)]

Correct Answer: (c) DC generator has permanent magnet and AC has an electromagnet
Solution:

AC (alternating current) Generator - Converts mechanical energy into electrical energy in the form of alternating current. DC (Direct current) Generator - Converts mechanical energy into direct current. Both work on Faraday’s law of electromagnetic induction. Difference between AC and DC Generators on various factors : Direction of Current - Current reverses direction periodically (AC) / Current flows only in one direction (DC). Voltage Level - Generate very high voltages (AC)/ Generate lower voltages (DC). Rings - slip-rings (AC) / split-ring commutators (DC). Current induction - Current can be induced either in the rotor or in the stator (AC) / Current is induced in the rotor only (DC).